Fast delivery Stainless Steel Uv Water Sterilizer Fish Farming Filter
We’ve been proud with the significant shopper fulfillment and wide acceptance due to our persistent pursuit of top of the range both of those on solution and repair for Fast delivery Stainless Steel Uv Water Sterilizer Fish Farming Filter, We glance ahead to receiving your enquires quickly and hope to have the chance to operate together with you inside the future. Welcome to just take a seem at our organization.
We’ve been proud with the significant shopper fulfillment and wide acceptance due to our persistent pursuit of top of the range both of those on solution and repair for Fish Farm Drum Filter, Fish Farming Filter, By integrating manufacturing with foreign trade sectors, we can offer total customer solutions by guaranteeing the delivery of right goods to the right place at the right time, which is supported by our abundant experiences, powerful production capability, consistent quality, diversified product portfolios and the control of the industry trend as well as our mature before and after sales services. We’d like to share our ideas with you and welcome your comments and questions.
BLUE-ECO 320W Flow champ pump
PRODUCT DESCRIPTION
This kind of pump heads are used in situations where is need for a high demand of water and lower pressure with a minimum on energy. I t’s unique
This pump head especially developed for the Blue-Eco pump series will fit on all older and latest models so up and downwards compatible
FEATURES
* Flow champ is made of high quality low resistance blend plastic with a glass fibred dynamic impeller for creating the most efficient flow inside the pump head
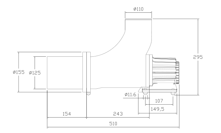
* Connections with noise reducing rubber connections 125 mm inlet and 110 mm outlet
*The front part can be made off and pre-mounted to a tank so we have a watertight pass through to the pump with no extra piping (read resistance) at all.
* Extra foot support for the head of 5 mm thick and heavy plastic walls
CONSTRUCTION
PARAMETER
|
Model No. |
Efficiency |
Capacity(M3/H) | Inlet(mm) | Outlet(mm) | Watts |
Max Head |
|
FC024022A03-01 |
90% |
52 |
125mm |
110mm |
10~240 |
5m |
|
FC032022A03-01 |
90% |
65 |
125mm |
110mm |
10~320 |
6m |
|
FC050022A03-01 |
90% |
83 |
125mm |
110mm |
10~500 |
6m |
|
FC090022A03-01 |
94.6% |
106 |
125mm |
110mm |
10~900 |
8m |
Power flow curve
PRODUCT DEATIL
Width: Maximum width 160mm.
Length: 510mm
Carton Sizes: 640*355*250mm
APPLICATION
Aquaculture Aquarium Landscape pond Swimming pool KOI pond OUR CERTIFICATES
Related Products
Flow Water Pump Flow Champ Pump PAYMENT & SHIPMENT
| 1. The payment term for samples 100% paid in advance when place order; | ||
| Productions 40% paid in advance and balance before shipment; | ||
| 2. The lead time is 2-3 months for mass productions. | ||
| 3. Packaging: Each Piece in wooden box, | ||
| 4. Warranty: 2 years | ||
OUR SERVICES
Customers would be provided with below services if you are interested in our products.
A. Professional recommendations on tape choice for customers.
B. Competitive prices.
C. In time delivery.
D. Quality assurance.
E. All the product are offered 5years warranty among them 2 year free and 3years limited.
OUR ADVANTAGES
1. Low MOQ
2. OEM and ODM service available.
3. Factory sale directly with much competitive price.
5. Good Quality Control. There are 3 times quality checking before delivery.
6. All of the customers’ samples/orders would be recorded and maintained secrecy. Customers can re-order with convenience and satisfactory.
WHY CHOOSE US?
2. Automatic collection of blanket weed
3. Drum can run totally under water
4. No extra pressure pump needed(TAP Water only)
5. Extra adjustable water entrance for cleaning the garbage outlet
6. Cleaning 1000times with 1CBM water












